技成培训网 技成学习APP 技成工具箱 技成企业服务

欢迎回到技成培训网

技成培训网

电工题库宝典

技成电工课堂

PLC练习题

技成PLC课堂

变频器故障查询

技成PLC学吧

伺服驱动故障查询

技成PLC网校

当前位置:技成首页 > 文章中心 > 技成百科 > 关于PLC的问题,二台电动机顺序启动,分别停止系统设计

关于PLC的问题,二台电动机顺序启动,分别停止系统设计

林慧玲 发布于2014-07-16 17:53 4 0 标签:

二台电动机顺序启动,分别停止系统设计
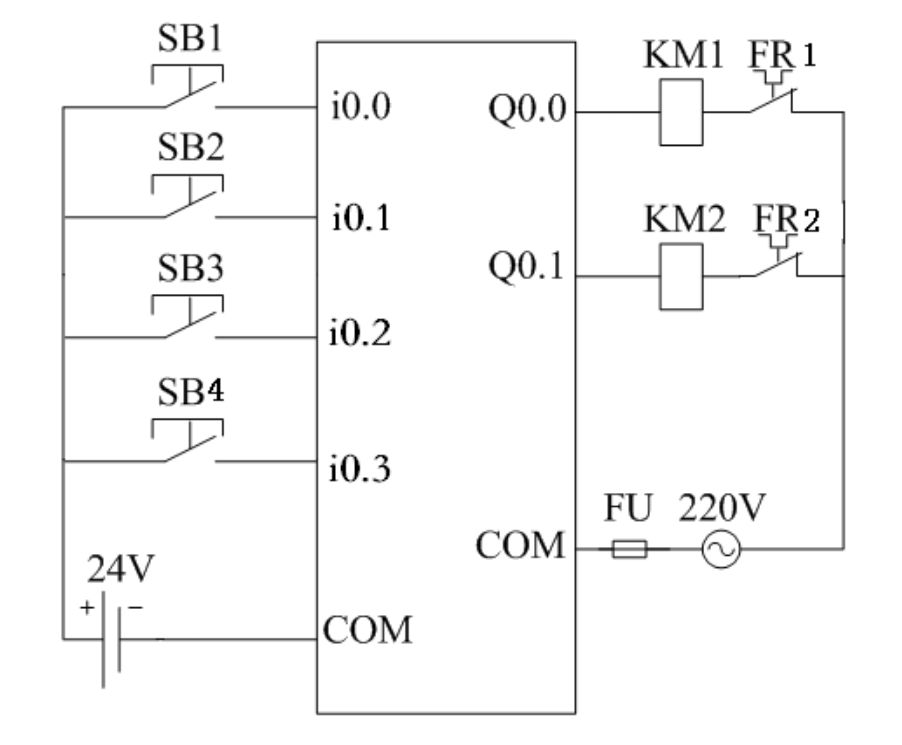
控制要求:两台电动机分别设置启动与停止按钮,按钮SB1为A电动机启动按钮,SB2为A电动机停止按钮;按钮SB3为B电动机启动按钮,按钮SB4为B电动机停止按钮;只有在A电动机启动后B电动机才能启动。按SB2按钮A电动机停止,按SB4按钮B电动机停止。
设计要求:(1)对I/O口进行分配
(2)画出梯形图,编写助记符
(3)绘制硬件电路图

佳答案

所说的都是基础入门的内容,书本上对这些讲解的很多,建议多多查阅一下。
鉴于是次提问,有点临阵磨枪的意思,给找了一点资料请参考。

电机的顺序启动控制,主要有三类:1.顺序启动,同时停止。2.1.顺序启动,顺序停止。3.顺序启动,逆序停止。
所表述的控制不是太清楚,下面以顺序启动顺序停止介绍。
控制要求:
电机1启动,电机2才能启动,若电机1不启动,则电机2无法启动。
电机1停止后,电机2才能停止,若电机1不停止,则电机2无法停止。

具体内容请参考上传图片


图片说明:1,1控制电路图  2,3PLC接线示意图  3,2IO分配表  4,4梯形图  

若有收获,就点个赞吧!

文章来源于网络及文献如有侵权请联系站长
分享到:

微信扫一扫分享

阅读与本文标签相同的文章

相关推荐

最新文章 热门文章
最新课程 免费课程
PLC资料下载 电工电气资料下载
应用新秀
变频器故障代码查询APP
伺服故障代码查询APP
技成
手机APP
热门标签