技成培训网 技成学习APP 技成工具箱 技成企业服务

欢迎回到技成培训网

技成培训网

电工题库宝典

技成电工课堂

PLC练习题

技成PLC课堂

变频器故障查询

技成PLC学吧

伺服驱动故障查询

技成PLC网校

当前位置:技成首页 > 文章中心 > 技成百科 > 电机保护继电器3rn1010-1cm00

电机保护继电器3rn1010-1cm00

112.95.251.214 发布于2014-04-29 17:56 226 0 标签:

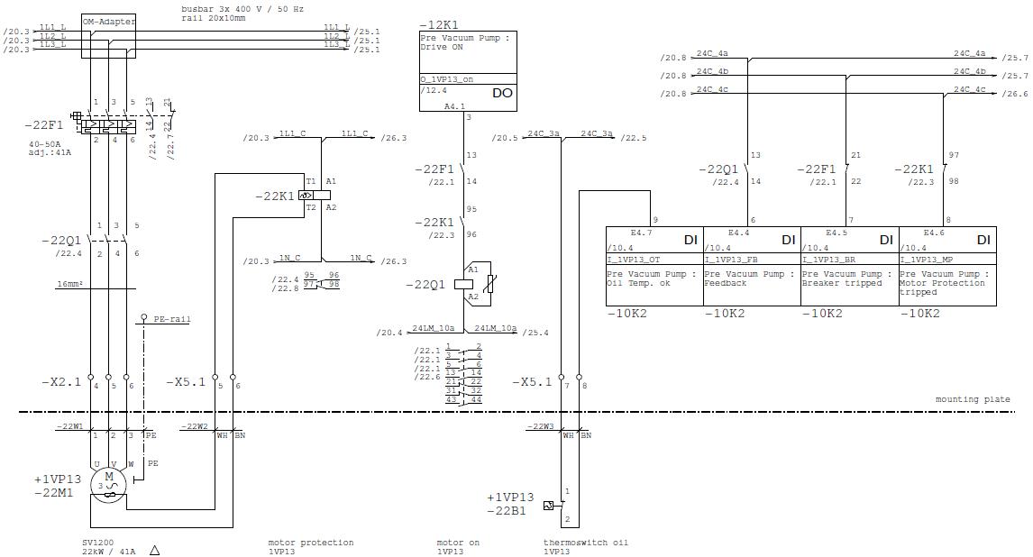
这个继电器室专门连接电机保护热敏电阻的,现在现场有两台一样的电机,但是常温下热敏电阻的阻值却不同,其中一台有报警现象,但是测量温度并不太高,至于50℃左右。这种继电器能够进行相关调整吗,问题在继电器还是在热敏电阻?

问题补充:
跟油没关系,油温的是直接进了plc。这个只管热敏电阻的信号。是说,这个继电器有没有什么可以调节的东西?


图片说明: 1,继电器

佳答案

看了图纸,里面有两个测温点,一个是电机的,一个是油泵里的油;热敏电阻的阻值在1500-3800ω之间就会触发该保护继电器;是否是热敏电阻部不匹配造成的。

若有收获,就点个赞吧!

文章来源于网络及文献如有侵权请联系站长
分享到:

微信扫一扫分享

阅读与本文标签相同的文章

相关推荐

最新文章 热门文章
最新课程 免费课程
PLC资料下载 电工电气资料下载
应用新秀
变频器故障代码查询APP
伺服故障代码查询APP
技成
手机APP
热门标签