技成培训网 技成学习APP 技成工具箱 技成企业服务

欢迎回到技成培训网

技成培训网

电工题库宝典

技成电工课堂

PLC练习题

技成PLC课堂

变频器故障查询

技成PLC学吧

伺服驱动故障查询

技成PLC网校

当前位置:技成首页 > 文章中心 > 技成百科 > modbus仪表与cpu226通讯的问题

modbus仪表与cpu226通讯的问题

112.95.251.214 发布于2014-04-28 17:52 72 0 标签:

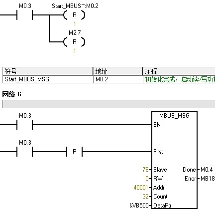
有7台仪表带有modbus通讯接口,226读取仪表的数据,接线方法将通讯线的a+接在一起,b-接一起(感觉其实跟手拉手解法一样的道理);单独一台表与计算机用串口调试没问题,但是连到plc就报错(错误代码3:超时),问题所在。


图片说明: 1,其中的从站一 2,从站二 3,主站

佳答案

1、plc读取的从站地址与仪表表头上设置的地址不一致,没必要设那么高的地址
2、由于读取的位数比较多主站(timeout)超时时间设得太小,可设大一些
3、建议先一台一台来调通仪表

若有收获,就点个赞吧!

文章来源于网络及文献如有侵权请联系站长
分享到:

微信扫一扫分享

阅读与本文标签相同的文章

相关推荐

最新文章 热门文章
最新课程 免费课程
PLC资料下载 电工电气资料下载
应用新秀
变频器故障代码查询APP
伺服故障代码查询APP
技成
手机APP
热门标签