技成培训网 技成学习APP 技成工具箱 技成企业服务

欢迎回到技成培训网

技成培训网

电工题库宝典

技成电工课堂

PLC练习题

技成PLC课堂

变频器故障查询

技成PLC学吧

伺服驱动故障查询

技成PLC网校

当前位置:技成首页 > 文章中心 > 技成百科 > 332 5hf00

332 5hf00

112.95.251.214 发布于2014-04-16 18:09 85 0 标签:

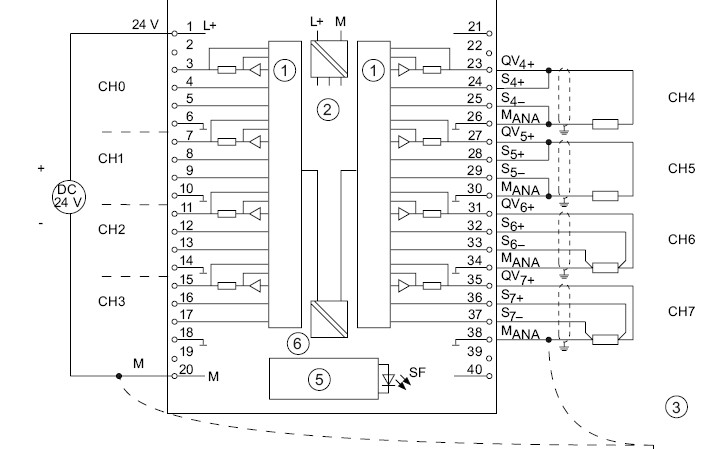
图上qv4s4+s4-mana管脚是什么意识qv4可以理解是电压输出那s呢

问题补充:
问的是字母代表的意识


图片说明: 1,7

佳答案

s+,s-应该是信号+,信号-;s为sigal的缩写

若有收获,就点个赞吧!

文章来源于网络及文献如有侵权请联系站长
分享到:

微信扫一扫分享

阅读与本文标签相同的文章

相关推荐

最新文章 热门文章
最新课程 免费课程
PLC资料下载 电工电气资料下载
应用新秀
变频器故障代码查询APP
伺服故障代码查询APP
技成
手机APP
热门标签