200PLC梯形图编程
	                        
	                            林慧玲
	                            发布于2014-03-27 18:01
	                            
	                                
	                                5
	                            
	                            
	                                
	                                0
	                            
	                            
	                            标签:
	                        
	                     
	                    
	                         
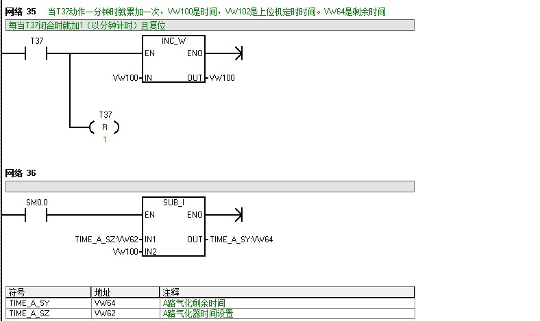
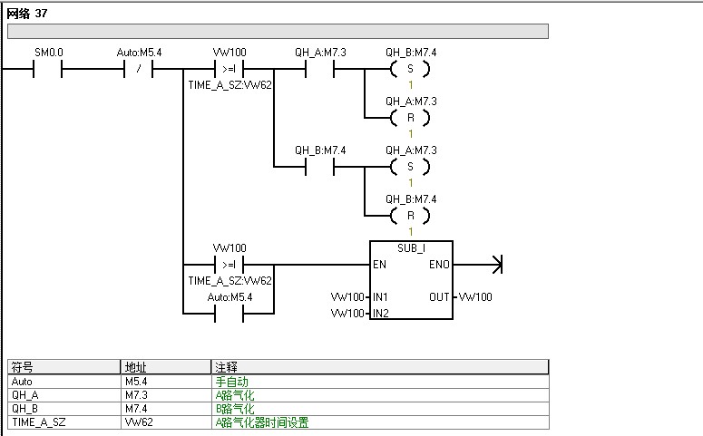
现在又一个气化站项目,这个气化站分成a、b两路分开气化,
每4个小时进行自动切换,做的程序,测试了一下,只能从b路切换到a路,不能从a路自动切换的b路,请看图片,
 																							问题补充:
但是这个时间需要在上位机上面设置,且需要显示剩余时间,如果设置为5个小时来进行自动切换呢,
如果用步进的方法来做,是怎么做的哦,能不能有截图,
											图片说明:   1,3   2,1   3,2   
     	  佳答案
      一个循环就是8小时,那么就计时,时间小于4小于a路气化,时间大于4,则b路气化。时间大于8则时间清零从新累计。