技成培训网 技成学习APP 技成工具箱 技成企业服务

欢迎回到技成培训网

技成培训网

电工题库宝典

技成电工课堂

PLC练习题

技成PLC课堂

变频器故障查询

技成PLC学吧

伺服驱动故障查询

技成PLC网校

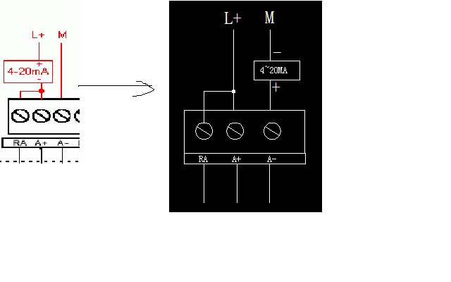
当前位置:技成首页 > 文章中心 > 技成百科 > 如图:左边二线制接线是否可以换成右边那种接线方式?

如图:左边二线制接线是否可以换成右边那种接线方式?

郑志武 发布于2013-10-21 01:43 1 0 标签:

如果可以,那么接到右边有没有其它的不好的问题?

二线制接线输入的信号与四线制的信号相比是否精度要差一点?


图片说明: 1,二线制接线方式

佳答案

1、两种接法电流流向都是正确的,因此两种接法都是正确的。
尽管是两线制变送器,但由于变送器依靠外部供电,不依赖于plc的ad采样端子供电,所以属于四线制接法。这一点在配置s7-300系统的模拟量模块时务必注意,在step7软件和信号模块量程卡的设置中务必要选择四线制变送器方式。
不过看图似乎楼主问的是s7-200系统的模拟量输入接法的问题。因此不涉及两线制、四线制的接法问题。存在的是选用两线制还是四线制变送器的问题。
2、信号的精度来至于变送器本身的精度,而数据转换的精度依赖于a/d采样芯片,这与采样芯片的位数有关。对于同一个plc而言模数转换的精度肯定是一样的。这两精度共同约束了一个系统的采样精度。
因此可以讲,二线制接线输入的信号与四线制的信号相比精度要差一点,这是没有理由的。你给的两种接法,不会产生任何差异。

若有收获,就点个赞吧!

文章来源于网络及文献如有侵权请联系站长
分享到:

微信扫一扫分享

阅读与本文标签相同的文章

相关推荐

最新文章 热门文章
最新课程 免费课程
PLC资料下载 电工电气资料下载
应用新秀
变频器故障代码查询APP
伺服故障代码查询APP
技成
手机APP
热门标签