技成培训网 技成学习APP 技成工具箱 技成企业服务

欢迎回到技成培训网

技成培训网

电工题库宝典

技成电工课堂

PLC练习题

技成PLC课堂

变频器故障查询

技成PLC学吧

伺服驱动故障查询

技成PLC网校

当前位置:技成首页 > 文章中心 > 技成百科 > s7-200与v60接线

s7-200与v60接线

郑志武 发布于2013-03-07 11:28 57 0 标签:

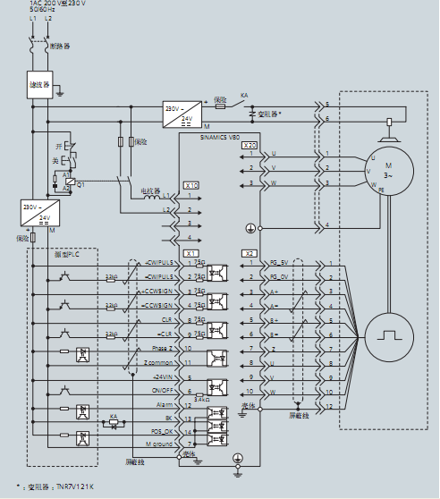
v60与s7-200通过脉冲加方向定位,怎么接线,没有买西门子的通讯线!自己做线接怎么接?看过简明操作手册,上面没有讲到这一部分,也没有给出v60内部电路!只是在x5端子说明为“5v差分信号”疑惑中,望高手解答,如果接说明书第十五页连线说明,接线,q0.0接plus1,q0.2接dir2.那么请问怎么形成一个完整的回路!与以前做过的集电极开路有何不同?西门子不把内部电路给出来,真是害人头大的很啊,打过400,有位工程师接的没回答上,郁闷,,,5v的话我应该串一个2.2k的电阻,请问我应该怎么接?谢谢

佳答案

参考图片看看


图片说明:1,接线图

若有收获,就点个赞吧!

文章来源于网络及文献如有侵权请联系站长
分享到:

微信扫一扫分享

阅读与本文标签相同的文章

相关推荐

最新文章 热门文章
最新课程 免费课程
PLC资料下载 电工电气资料下载
应用新秀
变频器故障代码查询APP
伺服故障代码查询APP
技成
手机APP
热门标签