技成培训网 技成学习APP 技成工具箱 技成企业服务

欢迎回到技成培训网

技成培训网

电工题库宝典

技成电工课堂

PLC练习题

技成PLC课堂

变频器故障查询

技成PLC学吧

伺服驱动故障查询

技成PLC网校

当前位置:技成首页 > 文章中心 > 技成百科 > s7-200的中断问题和smb34 35关系

s7-200的中断问题和smb34 35关系

郑志武 发布于2013-02-28 23:00 7 0 标签:

问题一:
smb3435对应的是中断0中断1中断号10和11这样理解对吗?

另外我还想要再添加两个和中断01一样的中断程序3、4(内容和0、1一样只是对应的aiw和aqw不一样)那么我该怎么设定中断时间和中断号?

问题二:
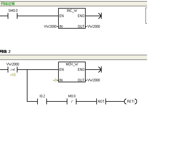
看到了一段这样的中断程序
我理解的是vw2000增加到10的时候中断程序有条件返回,对吗?
那么是返回到ob1中对吧?
这个递增计数和中断时间smb3435的设定冲突吗?
两者间的关系是什么?

谢谢

问题补充:
还是不理解问题二的解答
如果不能用中断10和11的话实现相同的目的用中断t32和t96行不行?


图片说明: 1,中断子程序

佳答案

smb3435对应的是中断0中断1中断号10和11这样理解对吗?
答:对的
另外我还想要再添加两个和中断01一样的中断程序3、4(内容和0、1一样只是对应的aiw和aqw不一样)那么我该怎么设定中断时间和中断号?

答:这个不行,西门子200plc只有2个定时中断,如果你需要这么做,只能将程序写入这两个中断服务程序中

我理解的是vw2000增加到10的时候中断程序有条件返回,对吗?
答:不对,应该是vw2000小于10时,并且i0.2为1,m0.0为0时,结束这个中断程序

那么是返回到ob1中对吧?
答:返回中断之前执行的程序段,可能是ob1,也有可能是其它子程序

这个递增计数和中断时间smb3435的设定冲突吗?
两者间的关系是什么?
答:没有冲突,关系是每个固定的时间vw2000增加1

若有收获,就点个赞吧!

文章来源于网络及文献如有侵权请联系站长
分享到:

微信扫一扫分享

阅读与本文标签相同的文章

相关推荐

最新文章 热门文章
最新课程 免费课程
PLC资料下载 电工电气资料下载
应用新秀
变频器故障代码查询APP
伺服故障代码查询APP
技成
手机APP
热门标签