技成培训网 技成学习APP 技成工具箱 技成企业服务

欢迎回到技成培训网

技成培训网

电工题库宝典

技成电工课堂

PLC练习题

技成PLC课堂

变频器故障查询

技成PLC学吧

伺服驱动故障查询

技成PLC网校

当前位置:技成首页 > 文章中心 > 技成百科 > 电机的电源必须用屏蔽电缆吗

电机的电源必须用屏蔽电缆吗

郑志武 发布于2012-12-28 11:53 10 0 标签:

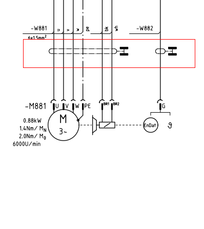
两图中红色方框内的两种符号都是屏蔽吗?有什么不同,电机的电源也必须用屏蔽电缆吗?


图片说明: 1,图一 2,图二

佳答案

两图中红色方框内的两种符号都是屏蔽。
一个是两端接地,用于防止低频干扰。一个是单端接地,用于防止高频干扰。
根据emc要求,电机要求用屏蔽电缆,但在emc要求不严格的情况下,考虑成本因素,不一定使用屏蔽线。

若有收获,就点个赞吧!

文章来源于网络及文献如有侵权请联系站长
分享到:

微信扫一扫分享

阅读与本文标签相同的文章

相关推荐

最新文章 热门文章
最新课程 免费课程
PLC资料下载 电工电气资料下载
应用新秀
变频器故障代码查询APP
伺服故障代码查询APP
技成
手机APP
热门标签