技成培训网 技成学习APP 技成工具箱 技成企业服务

欢迎回到技成培训网

技成培训网

电工题库宝典

技成电工课堂

PLC练习题

技成PLC课堂

变频器故障查询

技成PLC学吧

伺服驱动故障查询

技成PLC网校

当前位置:技成首页 > 文章中心 > 技成百科 > 请问:将两行“或”关系的流程分开写后,执行结果和原流程执行结果不一样?

请问:将两行“或”关系的流程分开写后,执行结果和原流程执行结果不一样?

刘玉蓉 发布于2014-12-08 17:21 35 0 标签:

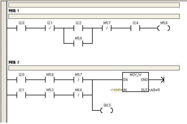
在Micro/Win编程环境中,有如下两行流程:

现在修改了流程,主要是将“或”关系的流程分开写,修改后的流程如下:

修改后编译下载至PLC并执行,发现:
1. 两个流程执行后,AQW0里都写入了+14945;
2. 原来的流程中,Q0.3控制的灯可以亮,修改后的流程Q0.3控制的灯不亮了。
求解!


图片说明: 1,原流程梯形图   2,修改后的流程  

佳答案

修改后的程序,你的Q0.3是否闭合取决于后一个网络。当后一个网络接通时,AQW0的结果也取决于它。虽然同一个线圈在程序中多次出现在西门子PLC中并不算错误,但很""危险"",应保证同时只有1个控制线圈的程序被执行,才能保证程序的正确性(也就是程序的执行结果和你想象的完全一致),比如多个控制同一线圈的程序在分时调用的不同子程序中,或者只有1个被执行,其他的程序段会被跳转指令跳过等。所以你图1中的程序是不能拆成图2的样子的。

若有收获,就点个赞吧!

文章来源于网络及文献如有侵权请联系站长
分享到:

微信扫一扫分享

阅读与本文标签相同的文章

相关推荐

最新文章 热门文章
最新课程 免费课程
PLC资料下载 电工电气资料下载
应用新秀
变频器故障代码查询APP
伺服故障代码查询APP
技成
手机APP
热门标签