技成培训网 技成学习APP 技成工具箱 技成企业服务

欢迎回到技成培训网

技成培训网

电工题库宝典

技成电工课堂

PLC练习题

技成PLC课堂

变频器故障查询

技成PLC学吧

伺服驱动故障查询

技成PLC网校

当前位置:技成首页 > 文章中心 > 技成百科 > sm332 ao输出和SM322DO的配合

sm332 ao输出和SM322DO的配合

刘玉蓉 发布于2014-11-25 17:49 2 0 标签:

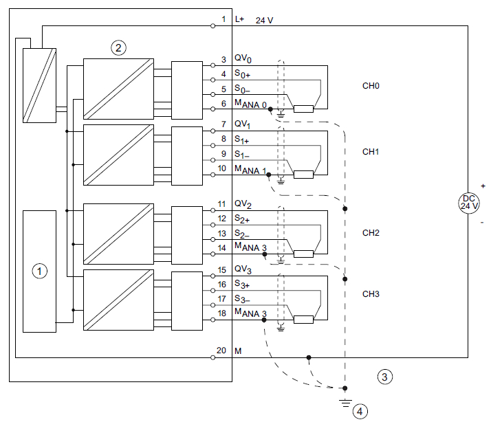
AO模块输出1-10v信号,并且由DO(relay8路)模块进行电压信号线的通断控制。不加中间继电器可以实现么,二楼贴图。


图片说明: 1,image1   2,imge  

佳答案

不行。因为你无法将DO模块的M端子在外部分开,不分开通道就无法独立控制了。

若有收获,就点个赞吧!

文章来源于网络及文献如有侵权请联系站长
分享到:

微信扫一扫分享

阅读与本文标签相同的文章

相关推荐

最新文章 热门文章
最新课程 免费课程
PLC资料下载 电工电气资料下载
应用新秀
变频器故障代码查询APP
伺服故障代码查询APP
技成
手机APP
热门标签