技成培训网 技成学习APP 技成工具箱 技成企业服务

欢迎回到技成培训网

技成培训网

电工题库宝典

技成电工课堂

PLC练习题

技成PLC课堂

变频器故障查询

技成PLC学吧

伺服驱动故障查询

技成PLC网校

当前位置:技成首页 > 文章中心 > 技成百科 > 语句表红字,编译无错,且可下载,但功能经常出错。

语句表红字,编译无错,且可下载,但功能经常出错。

刘玉蓉 发布于2014-11-14 17:18 22 0 标签:

这程序是我写亚龙335B机械手的,今天还是用梯形图编程,然后转成语句表的时候发现语句有红色的,然后语句表里还会写一些之前在该网络编辑过的内容,以红色显示,但是梯形图却看不出来,编译也没有错误,如果我下了程序,是以语句表的为准,还是梯形图为准?因为程序在调试过程中经过多次修改,有些网络中红字和黑字是有冲突甚至重复的,如果能解决这个问题,我想对我帮助很大。
之前也问过差不多的问题,但是我今天偶然发现这个问题,然后通过删语句表,然后重新编程,让红字变成黑字,但是程序还是不能正常工作。这到底是哪里出了问题? 

问题补充:
这些程序我原本就是用梯形图编的,但是我发现语句表和梯形图对不上,我对语句表还有些理解能力,然后我把梯形图的结构优化了一下,让语句表尽可能简单,然后又把错误的部分修改了,今天调程序,终于搞定了。


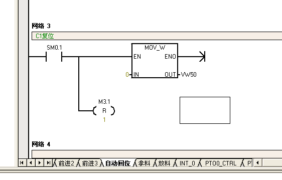
图片说明: 1,这是梯形图1对应的语句表,原来是C1,后来用VW50代替,但是语句表里还会有C1   2,这也是类似情况   3,这也是类似情况   4,这也是类似情况   5,这也是类似情况   6,这是梯形图1  

佳答案

图片1的错误:1,SM0.1一开始就用到了LPS这个是不对的,就有分支了,然后又串C1这个数据是错误的,后面又置位M0.4,又复位M0.5~M0.7,又复位Q0.0~Q1.5,又串上C1,又置位M20.0。程序的错误的大概就是这些。
图片2没有错误。
图片3的错误:VW字节不能直接传送到C计数器。首先要把C计数器变换成字节VW的形式才能传送。
图片4的错误:你调用的子程序SBR0没有。或者说你已经更改了子程序的名称了,(前进,前进2,前进3等等)所以找不到就报警了。语句表不支持中文,你只能是SBR0,SBR1等等。
图片5没有错误。
图片6没有错误。

综合上述问题,你的语句表编程还欠方式和逻辑,语句表一般不适用复杂的编程方式。
你的梯形图编写的程序都是正确的。

若有收获,就点个赞吧!

文章来源于网络及文献如有侵权请联系站长
分享到:

微信扫一扫分享

阅读与本文标签相同的文章

相关推荐

最新文章 热门文章
最新课程 免费课程
PLC资料下载 电工电气资料下载
应用新秀
变频器故障代码查询APP
伺服故障代码查询APP
技成
手机APP
热门标签