技成培训网 技成学习APP 技成工具箱 技成企业服务

欢迎回到技成培训网

技成培训网

电工题库宝典

技成电工课堂

PLC练习题

技成PLC课堂

变频器故障查询

技成PLC学吧

伺服驱动故障查询

技成PLC网校

当前位置:技成首页 > 文章中心 > 技成百科 > 这段程序转成梯形图是不是图片这个?纠结在于A I0.4 是不是应该O I 0.4?在这里怎么理解?

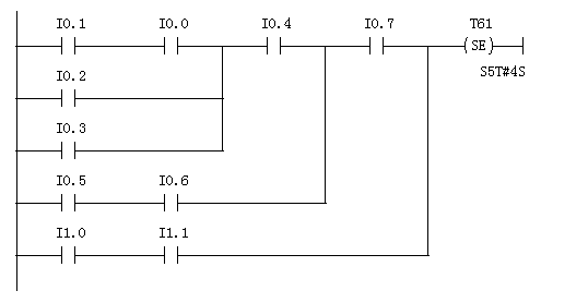
这段程序转成梯形图是不是图片这个?纠结在于A I0.4 是不是应该O I 0.4?在这里怎么理解?

刘玉蓉 发布于2014-11-12 17:39 36 0 标签:

A(    
      A     I      0.0
      A     I      0.1
      O     I      0.2
      O     I      0.3
      A     I      0.4
      O     
      A     I      0.5
      A     I      0.6
      )     
      A     I      0.7
      O(    
      A     I      1.0
      A     I      1.1
      )     
      L     S5T#4S
      SE   T61


图片说明: 1,图片1  

佳答案

A是串联(与/乘),O是并联(或/加)。不必纠结应是正确。还有个好办法就是在软件中用梯形图编好再转STL语句表进行验证,那是绝对不是有问题的。

若有收获,就点个赞吧!

文章来源于网络及文献如有侵权请联系站长
分享到:

微信扫一扫分享

阅读与本文标签相同的文章

相关推荐

最新文章 热门文章
最新课程 免费课程
PLC资料下载 电工电气资料下载
应用新秀
变频器故障代码查询APP
伺服故障代码查询APP
技成
手机APP
热门标签