技成培训网 技成学习APP 技成工具箱 技成企业服务

欢迎回到技成培训网

技成培训网

电工题库宝典

技成电工课堂

PLC练习题

技成PLC课堂

变频器故障查询

技成PLC学吧

伺服驱动故障查询

技成PLC网校

当前位置:技成首页 > 文章中心 > 技成百科 > PLC下载程序时两个FC块不能下载.

PLC下载程序时两个FC块不能下载.

刘玉蓉 发布于2014-11-10 17:23 3 0 标签:

因超出同步错误的嵌套深度导致 STOP 模式
原因 OB:   1 优先等级:   1
OB 编号:    121
模块地址:     0
之前的工作模式:RUN
请求的工作模式:STOP (内部)
内部错误, 进入的事件
07:11:03.479  1994-01-05


事件 2 / 149:  事件 ID 16# 253A
未装载 DB
DB 编号:    75
所需的 OB:编程错误 OB (OB121)
优先等级: 1
内部错误, 进入的事件
07:11:03.475  1994-01-05


事件 3 / 149:  事件 ID 16# 253C
未装载 FC
FC 编号:    30
所需的 OB:编程错误 OB (OB121)
优先等级: 1
内部错误, 进入的事件
07:11:03.475  1994-01-05

问题补充:
事件 97 / 149:  事件 ID 16# 6539
块中有非法命令 (由编译器检测到) 
FC 编号:     95
模块地址:   718
工作模式:STOP (内部)
内部错误, 进入的事件
00:25:44.125  1994-01-05

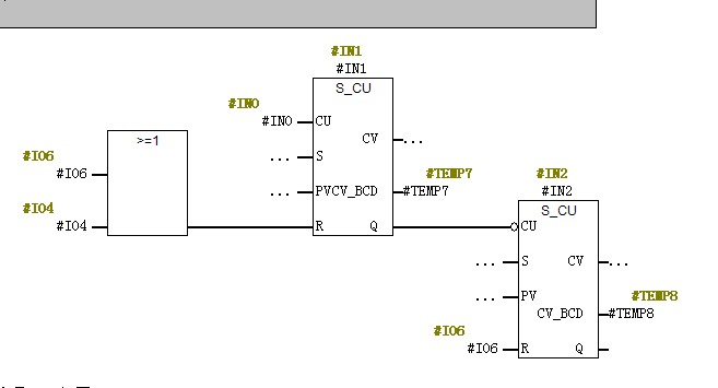
就是这个块也下载不进去,我把程序截图下来烦请老师们指点


图片说明: 1,这个事fc95调用的程序,里边有个红字的变量   2,4就这块有个红字的错误变量不知道是什么意思   3,5   4,2   5,3  

佳答案

下载DB75,FC30及OB121,有红字说明程序有错误是不能通过编译是不能下载的,可能原因为数据类型与程序要求不一致,或数据块内增加地址了,导致原有地址全部变了,可尝试在块一致性界面内对这两个不能下载块重新编译一下,看红色标志的块能否变为正常

若有收获,就点个赞吧!

文章来源于网络及文献如有侵权请联系站长
分享到:

微信扫一扫分享

阅读与本文标签相同的文章

相关推荐

最新文章 热门文章
最新课程 免费课程
PLC资料下载 电工电气资料下载
应用新秀
变频器故障代码查询APP
伺服故障代码查询APP
技成
手机APP
热门标签