技成培训网 技成学习APP 技成工具箱 技成企业服务

欢迎回到技成培训网

技成培训网

电工题库宝典

技成电工课堂

PLC练习题

技成PLC课堂

变频器故障查询

技成PLC学吧

伺服驱动故障查询

技成PLC网校

当前位置:技成首页 > 文章中心 > 技成百科 > 模拟量地址如何识别

模拟量地址如何识别

刘玉蓉 发布于2014-10-21 17:18 2 0 标签:

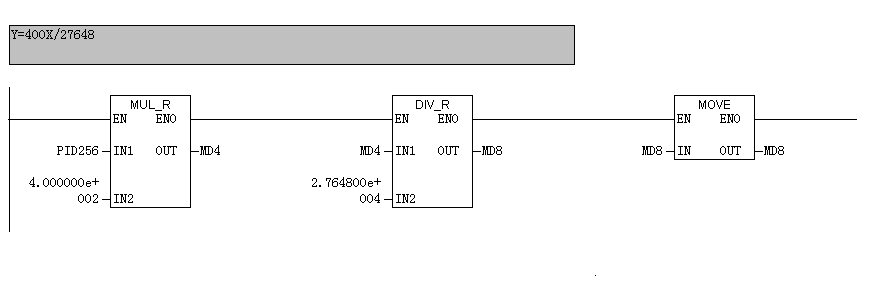
刚接触PLC300不久,不知道这个模拟量地址是如何识别的?组太好以后,根据槽号默认的地址是I256,可要是编程序的话,我在程序里该如何体现啊?模拟量硬件和组态参数都已设置好了,输入采用二线制···下面是我的温度传感器程序截图,请问它可以识别么?
我的模拟量模量是6ES7 331-7KF02-0AB0,cpu是314-1AG13-0AB0·


图片说明: 1,程序截图   2,程序截图  

佳答案

西门子PLC的模拟量地址是可以自己设定的。基本方式:
1、通过在硬件组态中设定相应的地址参数,比如AIX8路331模块,起始地址设置为256,结束地址设置为271<这样PIW256、PIW258……每两个字节组成一个通道,共8个AI通道,数据类型均为WORD>。
2、分配好参数后,下载硬件组态到PLC中,相应的模块地址就被修改了<这也是为什么软件上的组态要和实际机架上的组态要一致的原因!!>
建议:你可以在硬件组态中,选中任意331模块,再点击鼠标右键,选择“编辑符号表”,此时就能看到相应的通道地址了!!
&;&;

若有收获,就点个赞吧!

文章来源于网络及文献如有侵权请联系站长
分享到:

微信扫一扫分享

阅读与本文标签相同的文章

相关推荐

最新文章 热门文章
最新课程 免费课程
PLC资料下载 电工电气资料下载
应用新秀
变频器故障代码查询APP
伺服故障代码查询APP
技成
手机APP
热门标签