S7-200PLC定时器T37时间到后不会转换
	                        
	                            刘玉蓉
	                            发布于2014-10-15 17:05
	                            
	                                
	                                8
	                            
	                            
	                                
	                                0
	                            
	                            
	                            标签:
	                        
	                     
	                    
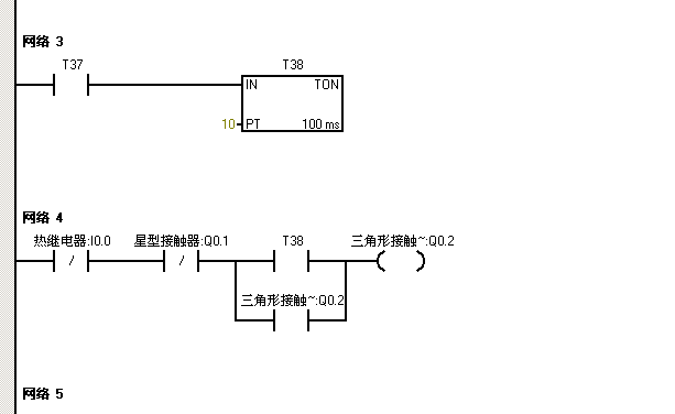
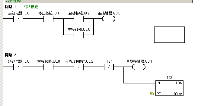
	                        星三角自动降压启动梯形图程序输入到PLC中后,运行PLC,电脑监控程序T37定时器5秒后常开点不会闭合转换到下一步,请问是怎么回事?
        																							问题补充:
截图以上传
											                                    图片说明:                  1,星三角启动                    2,星三角启动                                      
                	                 				佳答案
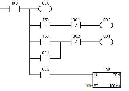
                                                                                                                                                 看了一下你的程序,你的T37处于常通状态,所以时间继点器不工作,你可以参考我编的星三角启动程序。
LD     I0.0
LPS
=      Q0.0
AN     T50
AN     Q0.1
=      Q0.2
LRD
LD     T50
O      Q0.1
ALD
AN     Q0.2
=      Q0.1
LPP
A      Q0.2
TON    T50, 100
梯形图见附件
                            
	                    
	                        若有收获,就点个赞吧!
	                        
	                     
	                    
                            文章来源于网络及文献如有侵权请联系站长
	                        
	                            分享到:
	                            
	                                
	                                    
	                                    微信扫一扫分享
	                                    
	                                
	                            
	                            
	                                                      
	                            
	                         
	                        阅读与本文标签相同的文章