技成培训网 技成学习APP 技成工具箱 技成企业服务

欢迎回到技成培训网

技成培训网

电工题库宝典

技成电工课堂

PLC练习题

技成PLC课堂

变频器故障查询

技成PLC学吧

伺服驱动故障查询

技成PLC网校

当前位置:技成首页 > 文章中心 > 技成百科 > PCS7编程中安全型功能块如何与标准块混用

PCS7编程中安全型功能块如何与标准块混用

刘玉蓉 发布于2014-10-15 17:05 1 0 标签:

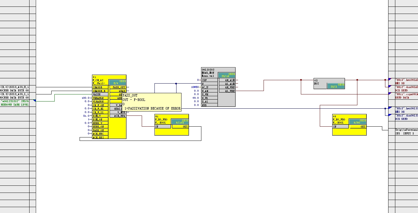
 在PCS7 系统组态中组建了一个FH系统, CPU 为412-3H, 并且安装了F系统补丁包V6. 在调用一个AI处理功能时, 使用了F_CH_AI 功能块进行AI转换, 并且将V_DATA 输出量作为 高低报警功能块 MEAS_MON的输入进行报警处理(同一张CFC图之内). MEAS功能块在CFC编辑界面中出现一个黄底的问号,并且在编译时 系统提示"Runtime group ""CFC(1)"" contains F and standard blocks (first F block: 2) [Move the standard blocks to the standard program (chart and run-time group)]" , 编译不能通过. 

我手上有另外一个别人写好的程序, 也是同样的写法, 编译无错误,可以通过, 所以想请教各位, 我可能是什么地方参数设置有问题, 导致编译不能通过, 

问题补充:
新截图2张, 请看一下. 图1是朋友写的程序, 可编译通过.
图2是我测试用的, 不能通过, 区别就是我的MEAS块上有黄色问号, 而且功能块颜色也不对.
看了次的回答,指出可能是变量的属性问题. 但是逻辑中F-AI 跟MEAS 是直接连的, 无中间变量, 能从截图中功能块的状态帮忙分析一下么? 


图片说明: 1,图1,编译通过   2,图2,编译失败  

佳答案

可能你编制的标准功能块中引用了F-I/O的地址。在标准功能块中只能引用定义为“Of standard I/O”的地址。在安全系统中的编程是要注意有关standard I/O地址及F-I/O的地址的用法:
请详见下述文档中4.1.4 Differences between the F-FBD and F-LAD Programming Languages and theStandard FBD and LAD Programming Languages:连接:
《S7 分布式安全 - 组态和编程(英文)》:下载
https://www2.ad.siemens.com.cn/download/Upload/AS/manual/22099875.pdf

若有收获,就点个赞吧!

文章来源于网络及文献如有侵权请联系站长
分享到:

微信扫一扫分享

阅读与本文标签相同的文章

相关推荐

最新文章 热门文章
最新课程 免费课程
PLC资料下载 电工电气资料下载
应用新秀
变频器故障代码查询APP
伺服故障代码查询APP
技成
手机APP
热门标签