这段测试程序为什么不稳定?
	                        
	                            刘玉蓉
	                            发布于2014-10-14 17:52
	                            
	                                
	                                29
	                            
	                            
	                                
	                                0
	                            
	                            
	                            标签:
	                        
	                     
	                    
	                        用接近开关测试,电机转一圈,接近开关得2个信号,我用T37,1S取样一次,1S时间脉冲数除以2得出,每秒的转数,然后再乘以60,算出每分的转数VD908,但是监控VD908的转数不稳定,现在接有测试表一台,测试是1100转,但是PLC测出的是1060转,电机转数降到700转时,转数表显示700转,PLC测出的是720转,有点不稳定,我该怎么做才能使程序稳定可靠,测试出的转数准确呢,现在实验1000转就这样,3000转不知道又会怎样?
能不能给个思路,怎么做稳定可靠。说说程序怎么来写。
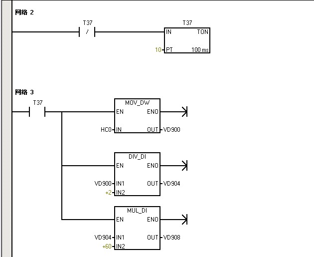
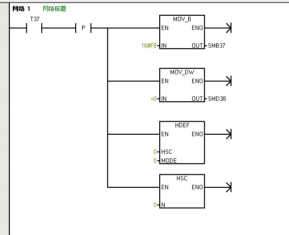
程序请看图片。
        																							问题补充:
我重新做了个程序,2秒的采样时间,把读出的脉冲数转为实物,得出的实数脉冲数先乘以30S,然后得出的实物再除以2,得出转速,做实验恒速电机到720转,PLC测试出的转速一会是700,一会是730,波动大约还是在20转左右,这是怎么回事呢?采样时间放宽了,先乘后除也做了,怎么还这样?
											                                    图片说明:                  1,1                    2,2                                      
                	                 				佳答案
                                                                                                                                                 采样时间短,会造成偏差偏大。可以想象,每分1100转,平均每秒36.66个脉冲,但实际上每个周期计得的脉冲数为整数,这样计算出的数值就会有偏差。18*60=1080。
另外,先除后乘也会产生偏差。你用的为整数除法,当计得脉冲数为奇数时,不能整除,会把小数位舍去,计算结果比实际值小了0.5,乘以60,就会再偏差出30转来。
另外,转速表与PLC的算法不同,即使计算中没有误差,得出的结果也会有偏差的。
建议将采样周期放大,偏差会减小,但响应会有滞后。
运算上,改为先乘后除。