技成培训网 技成学习APP 技成工具箱 技成企业服务

欢迎回到技成培训网

技成培训网

电工题库宝典

技成电工课堂

PLC练习题

技成PLC课堂

变频器故障查询

技成PLC学吧

伺服驱动故障查询

技成PLC网校

当前位置:技成首页 > 文章中心 > 技成百科 > S7-200与三晶变频器Modbus通讯的疑问

S7-200与三晶变频器Modbus通讯的疑问

刘玉蓉 发布于2014-10-09 15:30 62 0 标签:

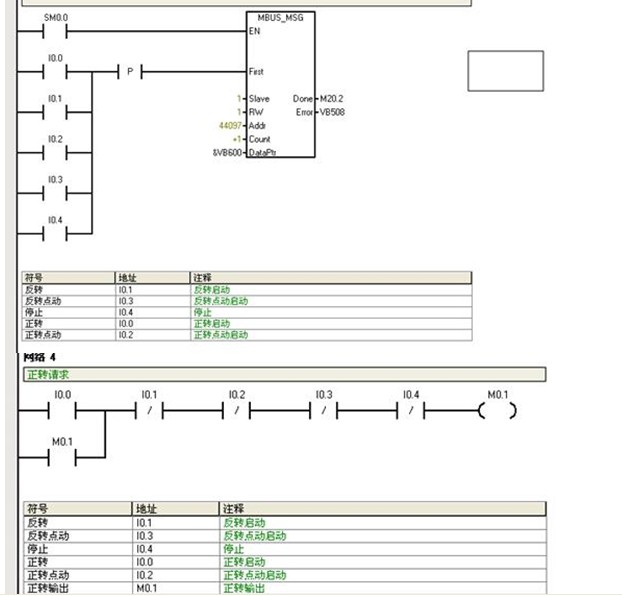
近在学S7-200与三晶变频器Modbus通讯编程。有个例子里面关于MBUS_MSG中的Addr地址一个写的是48193,,另外一个Addr地址是44097;见图!本人不理解的是这个Addr数值是怎么计算出来的,非常困惑。

问题补充:
还有Dataptr参数是否可以指定为其他V区,如VB400?难道一定要指定为VB600和VB606吗?困惑。。。


图片说明: 1,部分程序   2,部分程序   3,部分程序   4,三晶变频器通讯参数及部分程序   5,部分程序  

佳答案

Addr地址一个写的是48193,,另外一个Addr地址是44097的计算方法:
1. 三晶变频器的通讯设置地址为2000H,这个是16进制数,转为10进制后为8192,由于S7-200 PLC中小地址为400001,而三晶变频器中小地址为0,所以在写三晶变频器地址时必须要加1,即8192+1=8193,由于写的是寄存器地址,寄存器地址都是以4*x开始的,因此,地址栏要写48193;
2. 同理,楼主要写通讯控制字,地址为1000H,转为10进制加1,然后再加4*x的开头标志后,应该为44097

若有收获,就点个赞吧!

文章来源于网络及文献如有侵权请联系站长
分享到:

微信扫一扫分享

阅读与本文标签相同的文章

相关推荐

最新文章 热门文章
最新课程 免费课程
PLC资料下载 电工电气资料下载
应用新秀
变频器故障代码查询APP
伺服故障代码查询APP
技成
手机APP
热门标签