技成培训网 技成学习APP 技成工具箱 技成企业服务

欢迎回到技成培训网

技成培训网

电工题库宝典

技成电工课堂

PLC练习题

技成PLC课堂

变频器故障查询

技成PLC学吧

伺服驱动故障查询

技成PLC网校

当前位置:技成首页 > 文章中心 > 技成百科 > 从S5-95U到S7的通讯总线改变设置

从S5-95U到S7的通讯总线改变设置

刘玉蓉 发布于2014-10-09 15:30 11 0 标签:

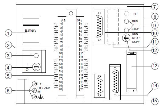
需要目前的S5-95U升级为S7,其中有根连线为和上位机的通讯线,见图片中的第10号指示。请问S7选择哪款cpu实现其功能?


图片说明: 1,s5-95U  

佳答案

1、图中所标的接口是模拟量输入/输出接口,见上传的普通图片S5-95U。如果升级为S7-200/300/400不需要这样的接口了。
Interface for analog inputs (IW 40 . . . IW 54) and
for analog outputs (QW 40)
2、该接口的应用见上传的图片接线图。在升级为S7时模拟量输入、输出信号线是在模板端子上接线了。
3、相关文档:
详见《S5-95U Programmable Controller》手册下载:
https://download.gongkong.com/file/company/8284/5.PDF

详见《SIMATIC S5-90U/S5-95U可编程控制器系统手册》下载:
https://download.gongkong.com/file/company/8284/S5%20PLC.rar


图片说明:1,S5-95U  2,接线图  

若有收获,就点个赞吧!

文章来源于网络及文献如有侵权请联系站长
分享到:

微信扫一扫分享

阅读与本文标签相同的文章

相关推荐

最新文章 热门文章
最新课程 免费课程
PLC资料下载 电工电气资料下载
应用新秀
变频器故障代码查询APP
伺服故障代码查询APP
技成
手机APP
热门标签