技成培训网 技成学习APP 技成工具箱 技成企业服务

欢迎回到技成培训网

技成培训网

电工题库宝典

技成电工课堂

PLC练习题

技成PLC课堂

变频器故障查询

技成PLC学吧

伺服驱动故障查询

技成PLC网校

当前位置:技成首页 > 文章中心 > 技成百科 > 一个小程序问题

一个小程序问题

刘玉蓉 发布于2014-09-16 17:03 5 0 标签:

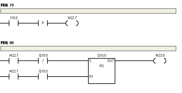
一个小程序,一个常开按钮控制一个灯,按下按钮后松开,灯常亮;再按下按钮后松开,灯常灭。以前用S7-200写程序时很好用,程序见附图。但现在用到37-300上就不行了,CPU为313C-DP,程序见附图,用了2种方法写都不起作用。望赐教,
另问有没有其他STEP7的编写方法?

问题补充:
200和300的SR指令有什么区别?
各位的语句表怎么不能转梯形图的,看到看不懂


图片说明: 1,300程序   2,300程序2   3,200程序  

佳答案

你的Q10.0输出只能为一个扫面周期的的ON 你上面置位后,下面的条件就把Q10.0给复位了,我的程序只是在你原有的基础上增加了一个语句,模拟的时候是可以的。


图片说明:1,1  2,2  

若有收获,就点个赞吧!

文章来源于网络及文献如有侵权请联系站长
分享到:

微信扫一扫分享

阅读与本文标签相同的文章

相关推荐

最新文章 热门文章
最新课程 免费课程
PLC资料下载 电工电气资料下载
应用新秀
变频器故障代码查询APP
伺服故障代码查询APP
技成
手机APP
热门标签