技成培训网 技成学习APP 技成工具箱 技成企业服务

欢迎回到技成培训网

技成培训网

电工题库宝典

技成电工课堂

PLC练习题

技成PLC课堂

变频器故障查询

技成PLC学吧

伺服驱动故障查询

技成PLC网校

当前位置:技成首页 > 文章中心 > 技成百科 > PID控制的SFB41,SFB42的使用

PID控制的SFB41,SFB42的使用

刘玉蓉 发布于2014-09-01 17:55 53 0 标签:

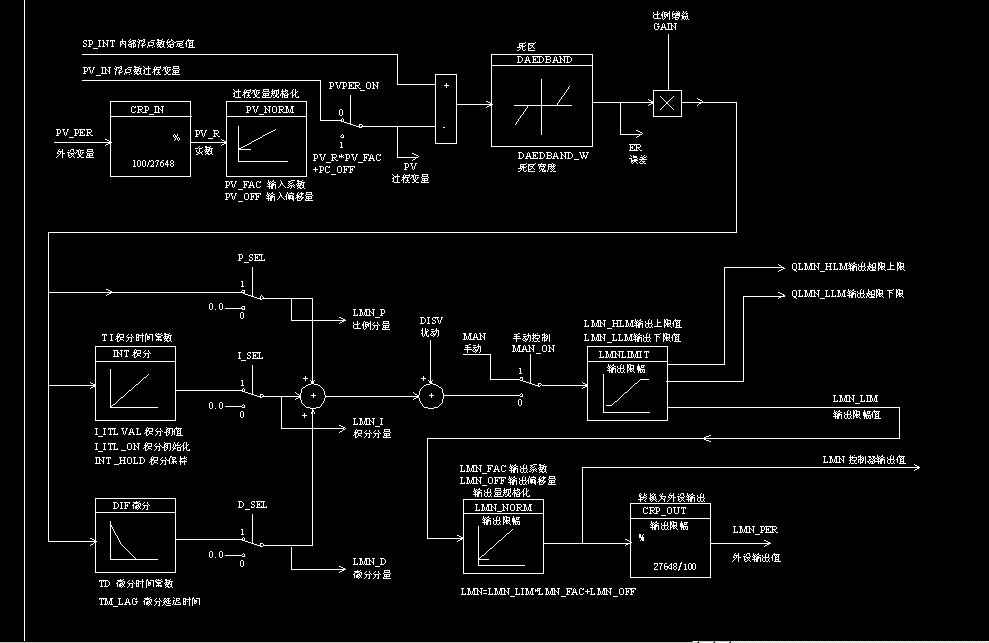
近在看关于SFB41  SFB42这方面资料,有点一头雾水,要是有个样板程序供观摩下就好了,光看资料,没实际的还是理解不透彻啊。还有关于背景DB的设置怎么没有这方面介绍资料呢,都在讲SFB41的管脚功能,具体细节的介绍没有,给提供点啊。

佳答案

1、先看看这个帖子:
https://www.ad.siemens.com.cn/service/answer/solution.aspx?Q_ID=78329&cid=1029
2、再看看这个上传的图:


图片说明:1,FB41  

若有收获,就点个赞吧!

文章来源于网络及文献如有侵权请联系站长
分享到:

微信扫一扫分享

阅读与本文标签相同的文章

相关推荐

最新文章 热门文章
最新课程 免费课程
PLC资料下载 电工电气资料下载
应用新秀
变频器故障代码查询APP
伺服故障代码查询APP
技成
手机APP
热门标签