技成培训网 技成学习APP 技成工具箱 技成企业服务

欢迎回到技成培训网

技成培训网

电工题库宝典

技成电工课堂

PLC练习题

技成PLC课堂

变频器故障查询

技成PLC学吧

伺服驱动故障查询

技成PLC网校

当前位置:技成首页 > 文章中心 > 技成百科 > 224XP晶体管输出可以从源型改成漏型吗?

224XP晶体管输出可以从源型改成漏型吗?

刘玉蓉 发布于2014-08-28 17:54 1 0 标签:

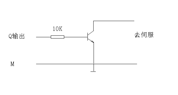
224XP晶体管输出可以从源型改成漏型吗? 默认是源型的,1M接0V,1L+接24V.现场接东元伺服,漏型输入,不知道能不能把PLC的输出改成漏型.

佳答案

需要外接电子元件,可以用NPN三极管进行转换,见图
也可以用光电耦合器,可以自制电路,当然也可以直接买专业厂商生产的端子型光电耦合器


图片说明:1,  

若有收获,就点个赞吧!

文章来源于网络及文献如有侵权请联系站长
分享到:

微信扫一扫分享

阅读与本文标签相同的文章

相关推荐

最新文章 热门文章
最新课程 免费课程
PLC资料下载 电工电气资料下载
应用新秀
变频器故障代码查询APP
伺服故障代码查询APP
技成
手机APP
热门标签