EM253输入
	                        
	                            刘玉蓉
	                            发布于2014-08-15 17:30
	                            
	                                
	                                224
	                            
	                            
	                                
	                                0
	                            
	                            
	                            标签:
	                        
	                     
	                    
	                        EM253输入
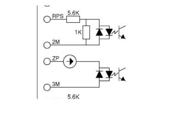
EM253输入端子,RPS和ZP的输入端子内部电路不一样,RPS端通过两个电阻来分压,但是ZP端只是画了一个电流的箭头,是什么意思呢?
如果ZP端加上DC24V的信号,会不会产生过大的电流而损坏ZP端的发光二极管呢?还是需要加限流电阻?
        											                                    图片说明:                  1,EM253输入                                      
                	                 				佳答案
                                                                                                                                                 1。 RPS 端子接收的是24V 的持续的高电平信号,用于确认步进电机的机械零参考点,考虑到接收的是连续高电平信号,所以在电路上增加了串接电阻,光隔等保护。
2 。ZP 端子是由步进电机发给EM253模板的脉冲信号,用于确认电机旋转一周的电信号零点,因为属于脉冲信号,故可以省去上述第1项的保护。