技成培训网 技成学习APP 技成工具箱 技成企业服务

欢迎回到技成培训网

技成培训网

电工题库宝典

技成电工课堂

PLC练习题

技成PLC课堂

变频器故障查询

技成PLC学吧

伺服驱动故障查询

技成PLC网校

当前位置:技成首页 > 文章中心 > 技成百科 > 关于3RW软启动1拖3

关于3RW软启动1拖3

刘玉蓉 发布于2014-08-15 17:30 34 0 标签:

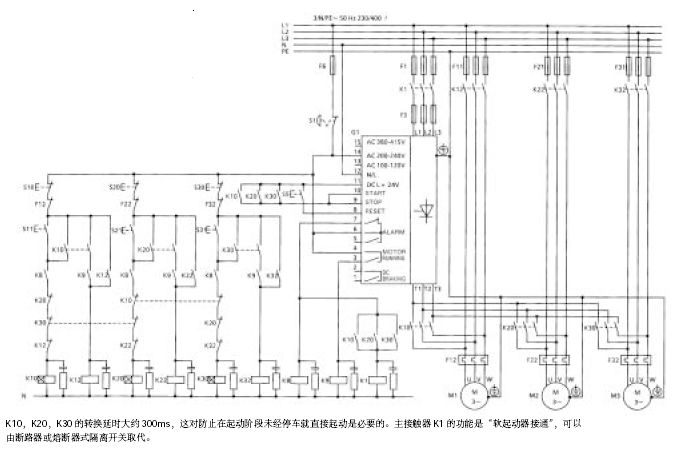
3RW的1拖3,见附图:请解释一下k9得电的条件,如果k9尚未得电,此时按下S11是否不能启动?(即MORTORRUNNING的作用?)

问题补充:
请教:在K10 K12线圈控制回路中,都有k9常开触点串联k9未得电,按下S11,谁也启动不了,怎样解释?


图片说明: 1,关于3RW软启动1拖3   

佳答案

K9是由软启的Motor Running条件来控制的,也就是说,按下S11启动台电机,当软启完成后K9才会动作,让台电机的旁路接触器动作闭合。

若有收获,就点个赞吧!

文章来源于网络及文献如有侵权请联系站长
分享到:

微信扫一扫分享

阅读与本文标签相同的文章

相关推荐

最新文章 热门文章
最新课程 免费课程
PLC资料下载 电工电气资料下载
应用新秀
变频器故障代码查询APP
伺服故障代码查询APP
技成
手机APP
热门标签