技成培训网 技成学习APP 技成工具箱 技成企业服务

欢迎回到技成培训网

技成培训网

电工题库宝典

技成电工课堂

PLC练习题

技成PLC课堂

变频器故障查询

技成PLC学吧

伺服驱动故障查询

技成PLC网校

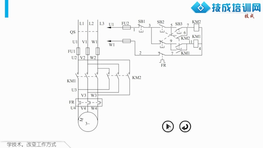
吕*立 进行了提问·2022-11-17 20:04:41 来自北京市
好像讲的不对,SB2和SB3是启动按钮,启动按钮是常开点,怎么SB3启动按钮复位之后,KM1的启动要用到SB3的常闭点呢,难道SB2和SB3是各带一组常闭和一组常开吗
收藏问题
技成讲师
这种开关有两组触点,一组常开,一组常闭点。
2023-01-11 16:12:38 问题补充 0

已经催老师快马加鞭回答啦

有老师解答后,系统将通知你